产品展示

前言

一、前言

    行星摆线针轮减速机,是一种应用行星传动原理,采用摆线针齿啮合,设计先进,结构新颖的减速机构。
    该减速机可以广泛应用于各种传动机械中和减速机构,如:起重、运输、矿山、冶金、石化、纺织、印染、轻工、制药、食品机械等等。

    二、结构

    行星摆线针轮减速机全部传动装置可分三部分:输入部分;减速部分;输出部分。
    直联型减速机与Y系列专用电动机及Y系列派生专用电动机组装在一起,如YA增安型电动机、YB防爆电动机、YCT调速电动机、YEJ制动电动机等。

    减速机结构如图1、图2、图3。

    三、特点

    1、传动比大:一级减速时传动比为1/6~1/87;两级减速时传动比为1/99~1/5133;三级减速时传动比为1/2057~1/658503;根据需要可以采用更多级组合。
    2、传动效率高;由于该机啮合部位采用了滚动啮合,平均效率可达90%以上。
    3、体积小、重量轻;由于不仅采用了行星传动原理,输入轴和输出轴在同一轴线上,而且有与电动机直联呈一体的独特之处,因而本机具有结构紧凑,体积小、重量轻的特点。
    4、故障少、寿命长;本机主要传动啮合件使用轴承钢制造,因此机械性能好,耐磨性能好,再加采用滚动磨擦,故使之故障少、寿命长。
    5、运转可靠平稳:本机传动过程中为多齿啮合,所以使之运转平稳可靠;噪音低。
    6、拆装方便,容易维修:由于结构设计合理拆装简单便于维修。
    7、本机还具有过载能力强、耐冲击、惯性力矩小适用于起动频繁和正反向转动的特点。

    四、技术规格

    1、机型号

    按传动比分为:一级、二级、三级。
    一级有13种机型:0,1,2,3,4,5,6,7,8,9,10,11,12。
    二级有12种机型:00,20,42,53,63,74,84,85,95,106,117,128。
    三级有8种机型:420,742,842,853,953,1063,1174,1285。
按结构型式分为:卧式、立式、双轴型、直联型四种。
    以上是我厂生产的标准减速机,此外,为了满足用户需要还可以承接非标设计制造。

    2、传动比:

    一级减速的传动比有:6,9,11,17,21,23,25,29,35,43,47,59,71,87。
    二级减速的传动比有:99,121,187,289,319,385,473,493,595,649,731,841,1003,1225,1505,1849,2065,2537,3045,3481,5133。
    三级减速的传动比有:5841~658503。

 

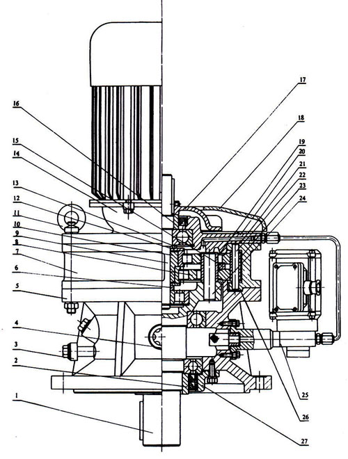
1.输出轴 2.16.紧固环 3.压盖 4.卧式机座 5.输入轴 6.偏心套 7.针齿壳 8.销套 9.销轴
10.间隔环 11.通气帽 12.针齿销 13.针齿套 14.摆线轮 15.法兰盘 16.紧固环 17.风扇叶
18.风扇罩 19.示油器
1-输出轴 2.16-紧固环 3-放油管 4-油窗 5-立式机座 6.12. 13-档圈 7-针齿壳 8-摆线轮
9-输入轴 10-偏心套 11-吊环 14-电动机 15-间隔环 16-紧固环 17-风扇叶 18-风扇罩 19-销套
20-法兰盘 21-“O”形圈 22-针齿销 23-针齿套 24-销轴 25-油泵 26-矩形垫圈 27压盖

说明:1、安装型式:W表示卧式;L表示立式。
      2、在两级和三级减速机中各级传动比的组合,原则上以第一级(高速端)为传动比小的一端,第二级或第三级(即低速端)为传动比大的一端。