| 行星摆线减速机配无级变速机 | |||||||||||||||||
|
●型号表示方法 |
|||||||||||||||||
|
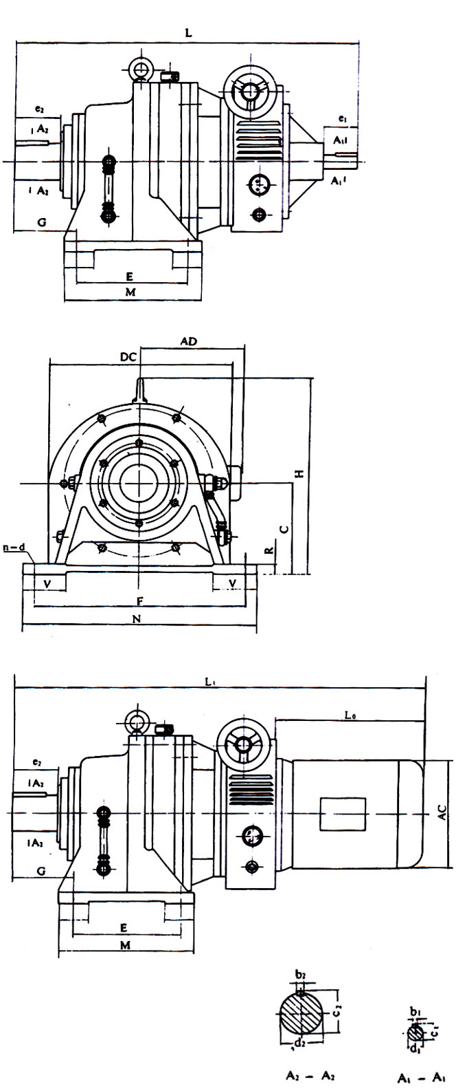
| ●外形及安装尺寸 | ||||||||||||||||||||||||||
|
||||||||||||||||||||||||||
|
无级 机型号 |
安装尺寸 | 轴伸端联接尺寸 | 外形尺寸 | 重量 | ||||||||||||||||||||||
| 输入轴 | 输出轴 | 变轴型 | 直联型 | |||||||||||||||||||||||
| C | G | E | F | V | R | n | d | d1 | b1 | c1 | e1 | d2 | b2 | c2 | e2 | M | N | H | DC | L | L1 | Lo | AC | AD | ||
| X2 | 100 | 101 | 90 | 180 | 45 | 15 | 4 | 12 | ф14h6 | 5 | 16 | 25 | ф25h6 | 8` | 28 | 34 | 120 | 210 | 175 | 150 | 332 | 500 | 245 | 110 | 100 | |
| X3 | 140 | 151 | 100 | 250 | 55 | 20 | 4 | 16 | ф14h6 | 5 | 16 | 30 | ф35h6 | 10 | 38 | 55 | 150 | 290 | 240 | 200 | 395 | 570 | 245 | 110 | 110 | |
| X4 | 150 | 169 | 145 | 290 | 65 | 22 | 4 | 16 | ф19h6 | 6 | 21.5 | 30 | ф45h6 | 14 | 48 | 74 | 195 | 330 | 275 | 230 | 460 | 658 | 250 | 175 | 150 | |
| X5 | 160 | 206 | 150 | 370 | 75 | 25 | 4 | 18 | ф24h6 | 8 | 27.3 | 40 | ф55h6 | 16 | 59 | 91 | 260 | 420 | 356 | 300 | 575 | 780 | 290 | 195 | 160 | |
| X6 | 200 | 125 | 275 | 380 | 75 | 30 | 4 | 22 | ф24h6 | 8 | 27 | 50 | ф65h6 | 18 | 69 | 89 | 335 | 430 | 425 | 340 | 675 | 885 | 320 | 215 | 180 | |
| ●主要技术参数(配摆线减速机) | ||||||
| 无级机型号 | 02 | 04 | 07 | 15 | 22 | |
|
输入功率 KW |
0.18 | 0.37 | 0.55 | 1.1 | 2.2 | |
| 0.75 | 1.5 | 3 | ||||
|
输入转速 r/min |
1500 | |||||
| 配摆线减速机型号 | X2 | X3 | X4 | X5 | X6 | |
| 传动比 | 输出转速范围 |
输出转矩范围 N.m |
||||
| 9 | 21~105 | 24~11 | 46~23 | 77~38 | 139~69 | 277~139 |
| 93~45 | 186~92 | 372~186 | ||||
| 11 | 17~86 | 29~14 | 56~28 | 95~47 | 170~85 | 338~170 |
| 113~56 | 227~113 | 454~227 | ||||
| 17 | 11~55 | 44~21 | 86~43 | 146~73 | 263~131 | 523~263 |
| 175~87 | 351175 | 703~351 | ||||
| 23 | 8~41 | 60~29 | 117~58 | 198~99 | 356~178 | 708~356 |
| 236~117 | 475~236 | 950~475 | ||||
| 29 | 6~32 | 76~37 | 135~68 | 250~125 | 449~224 | 893~449 |
| 298~148 | 599~298 | 1199~599 | ||||
| 35 | 5~27 | 91~44 | 142~71` | 267~134 | 542~271 | 1078~542 |
| 319~158 | 723~360 | 1447~723 | ||||
| 43 | 4~22 | 112~54 | 175~87 | 328~164 | 665~332 | 1324~665 |
| 392~194 | 889~442 | 1595~889 | ||||
|
●使用时请注意
1、本机适用于连续工作制,允许正向反向运转。 |
||||||
|
||||||