| 一级齿轮配无级变速机 | ||||||||||||||||||||||||
| ●型号表示方法 | ||||||||||||||||||||||||
|
| ●主要技术参数(配一级齿轮) | ||||||
| 无级机型号 | 02 | 04 | 07 | 15 | 22 | |
|
输入功率 KW |
0.18 | 0.37 | 0.55 | 1.1 | 2.2 | |
| 0.75 | 1.5 | 3 | ||||
|
输入转速 r/min |
1500 | |||||
|
一级齿轮 传动比 |
输出转速范围 r/min |
输出转矩范围 N.m |
||||
| 2.5 | 76~380 | 6.5~3 | 13~6.5 | 22~11 | 40~20 | 79~39 |
| 26~13 | 53~26 | 106~53 | ||||
| 3.3 | 51~257 | 9.7~4.7 | 19~9.7 | 33~16 | 59~29 | 117~58 |
| 39~19 | 78~39 | 157~78 | ||||
| 5 | 38~190 | 13~6 | 26~13 | 44~22 | 79~39 | 158~79 |
| 53~26 | 106~53 | 212~106 | ||||
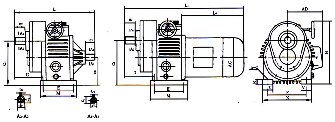
| ●外型及安装尺寸 | ||||||
|
||||||
| 机型号 | 安装尺寸 | 轴伸端联接尺寸 | 外形尺寸 | ||||||||||||||||||||||
| 输入轴 | 输出轴 | 直联型 | |||||||||||||||||||||||
| C1 | Co | G | E | F | V | R | n | d | d1 | b1 | c1 | e1 | d2 | b2 | c2 | e2 | H | M | N | L | L1 | Lo | AC | AD | |
| 02 | 120h12 | 75h12 | 87 | 105 | 110 | 25 | 13 | 4 | ф9 | ф14h6 | 5 | 16 | 25 | ф20h6 | 6 | 22.8 | 30 | 200 | 125 | 140 | 234 | 395 | 225 | 110 | 110 |
| 04 | 135h12 | 90h12 | 89 | 105 | 120 | 30 | 15 | 4 | ф10 | ф14h6 | 5 | 16 | 30 | ф20h6 | 6 | 22.8 | 30 | 230 | 135 | 160 | 247 | 416 | 245 | 110 | 110 |
| 07 | 166h12 | 106h12 | 104 | 125 | 160 | 40 | 15 | 4 | ф12 | ф19h6 | 6 | 21.5 | 30 | ф28h6 | 8 | 31 | 35 | 280 | 150 | 190 | 272 | 460 | 250 | 175 | 150 |
| 15 | 190h12 | 125h12 | 123 | 140 | 180 | 50 | 18 | 4 | ф12 | ф24h6 | 8 | 27.3 | 40 | ф30h6 | 8 | 33 | 45 | 313 | 165 | 230 | 336 | 535 | 290 | 195 | 160 |
| 22 | 230h12 | 150h12 | 123 | 230 | 245 | 55 | 20 | 4 | ф12 | ф24h6 | 8 | 27 | 50 | ф40h6 | 12 | 43 | 60 | 376 | 270 | 300 | 425 | 626 | 320 | 215 | 180 |